2023/07/25 (火)

トレックス・セミコンダクター社超低消費 出力電圧切替え機能付き 150mA コイル一体型降圧“micro DC/DC”コンバータXCL233をご紹介いたします。

1. 概要

XCL233シリーズは、超低消費電流回路およびPFM制御を使用したコイル一体型降圧同期整流DC/DCコンバータです。
制御ICとコイルを一体化することで小型化を実現し、外付けに 2個のコンデンサを追加するだけで省スペースでの電源を構成できます。
超低消費電流回路とPFM制御方式により軽負荷での高効率を実現しています。

動作電圧は1.8V~6.0V、出力電圧は内部設定によって0.5V~3.6Vで設定可能です。
UVLO機能を内蔵しており、VIN電圧がUVLO検出電圧以下で内部PchドライバFETとNchドライバFETをオフにします。

また、VSET端子に外部信号を入力することで、出力電圧の2値切替えが可能です。
この出力電圧の切替え機能によりMCUの動作モードに応じた最適な出力電圧を選択することで機器全体の消費電力削減に貢献します。

これらの機能により軽負荷での高効率が重視される機器および電池駆動時間を重視する機器に最適です。


2. パッケージ・外観

・パッケージ : CL‐2025‐03 (2.5 x 2.0 x 1.04 mm)
・ 外観


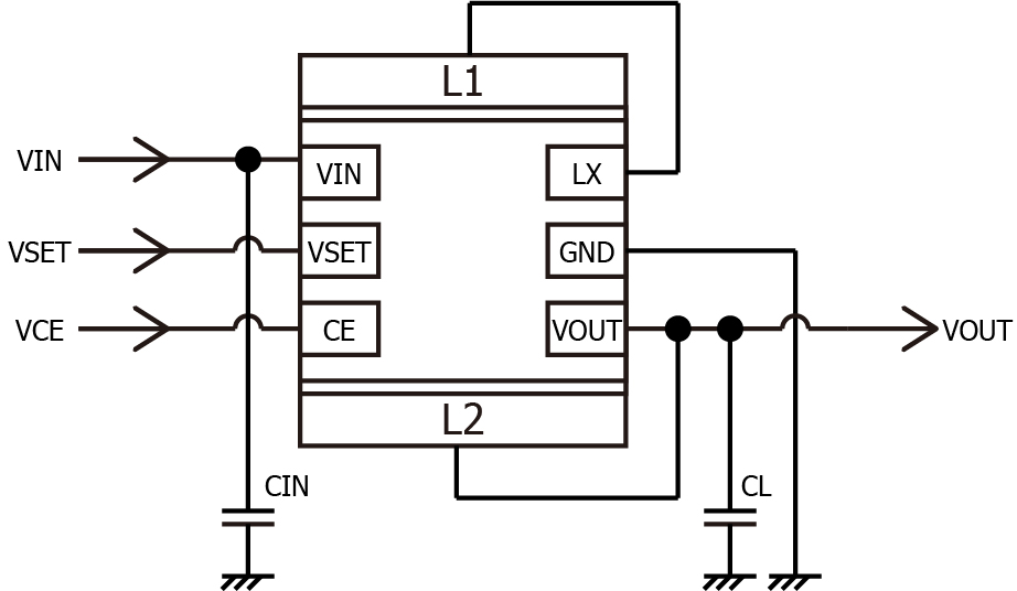
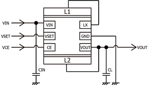
3. 代表標準回路


4. 用途

・スマートメーター 
・低消費 RF
・センサーモジュール
・ウェアラブルデバイス
・エナジーハーベスト
・バックアップ電源回路
・スマートカード
・1セルのリチウム電池を使用する各種汎用電源


5. 特長

入力電圧範囲
 1.8V~6.0V
 出力電圧設定範囲 
 0.5V~1.9V (0.05V ステップ)
 2.0V~3.6V (0.1V ステップ
出力電圧精度
 ±20mV (VOUT1,2≦1.0V)
 ±2.0% (VOUT1,2>1.0V)
出力電流
 150mA
消費電流
 200nA@VOUT=1.8V
制御方式
 PFM 制御
効率
 86% (VIN=3.6V, VOUT=1.8V, IOUT=10mA) 
機能
 出力電圧切替え機能
 CL ディスチャージ (D タイプ)
 UVLO
保護機能
 短絡保護
 入力、出力コンデンサ 
 セラミックコンデンサ対応
動作温度範囲
 -40~85℃
パッケージ
 CL-2025-03 (2.5 x 2.0 x 1.04 mm)
環境への配慮
 EU RoHS 指令対応、鉛フリー


トレックス・セミコンダクター社の詳細はこちら

ご質問・お問い合わせは、マイクロサミット(株) sales@microsummit.co.jp 川野(カワノ)までお願いします。